Enganche de distribución de peso de barra cuadrada
Enganche de distribución de peso de barra cuadrada: brinda un mejor control de su vehículo y remolque al aplicar palanca en la lengüeta del remolque y el vehículo remolcador para que las cargas más pesadas se distribuyan de manera más uniforme en las ruedas del remolque y el vehículo remolcador. Esta distribución uniforme permite una conducción más estable y mejor control de frenado y dirección
El enganche de distribución de peso de barra cuadrada es uno de los enganches de distribución de peso más populares y Producto más vendido en el mercado de América del Norte y Australia. Está hecho de acero al carbono de alta calidad, acero al manganeso, acero para resortes y otros materiales, con barra de resorte sólida forjada, cabezal forjado para trabajo pesado y soportes de enganche, puede llegar por debajo de alta capacidad, corte, procesamiento, soldadura, tratamiento térmico y otros avanzados se utilizan tecnologías. Años de experiencia en la fabricación, calidad confiable-
DES: 1200 libras
Peso máximo de la lengua: 801-1200 lb
Peso bruto máximo del remolque: 12,000 lb
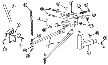
El enganche de distribución de peso de barra cuadrada generalmente incluye las siguientes partes:
| 1 | caña |
| 2 | barra de resorte |
| 3 | soportes de enganche |
| 4 | Cabeza |
| 5 | Cadenas de seguridad |
| 6 | Alfiler y clip |
| 7 | combinar el control de balanceo de acuerdo con la solicitud del cliente |
Muestra de piezas-
1)Soporte para Enganche de distribución de peso de barra cuadrada -soporte de gancho acepta cadena de 5/16", 6,35 mm marco de espesor brecket acepta un perno de 1/2"-13 -
2) Cabeza para Enganche de distribución de peso de barra cuadrada - estilo forjado. La aplicación de tecnología de forjado avanzada, una moldura, no hay fractura por flexión y otros riesgos de seguridad, duradero, confiable calidad
3 )Vástago para Enganche de distribución de peso de barra cuadrada -hecho de 1020 de alta calidad, estándar 50,8 mm x 50,8 mm barra de acero cuadrada, placa de refuerzo de grosor superior e inferior. La longitud del acero y la posición del orificio pueden personalizarse de acuerdo con su solicitud.
4) Barra de resorte para el enganche de distribución de peso de barra cuadrada: está hecho de un resorte metálico excepcionalmente fantástico a través del proceso de forja y terapia de calor.
Plano de montaje -
Enganche de distribución de peso de barra cuadrada -
Procesos y equipos avanzados de corte, mecanizado y soldadura garantiza la calidad del enganche de distribución de peso de barra redonda-
Enganche de distribución de peso de barra cuadrada -
La máquina de prueba de tracción, la máquina de prueba de impacto, la máquina de prueba de dureza, la máquina de prueba de niebla salina, el detector de soldadura y otros equipos de prueba garantizan de manera efectiva la calidad de los productos. Se asignan inspectores a cada proceso, desde la compra de materia prima hasta el empaque y la entrega. Pruebe regularmente los productos por lote.
Enganche de distribución de peso de barra cuadrada -
Línea de embalaje automática, rica experiencia en embalaje garantiza la seguridad del transporte del enganche de distribución de peso de barra redonda.
Nuestra fábrica-área total de 60.000 metros cuadrados, el principal equipo de producción de más de 100 juegos-
Hermosa fábrica como jardín-
Durante los últimos 60 años, nos hemos ganado la confianza y el respeto de nuestros clientes con la excelente calidad de nuestros productos y reputación-
Nuestro certificado-













